LCD ekran modul za kuhinjsku elektronsku vagu
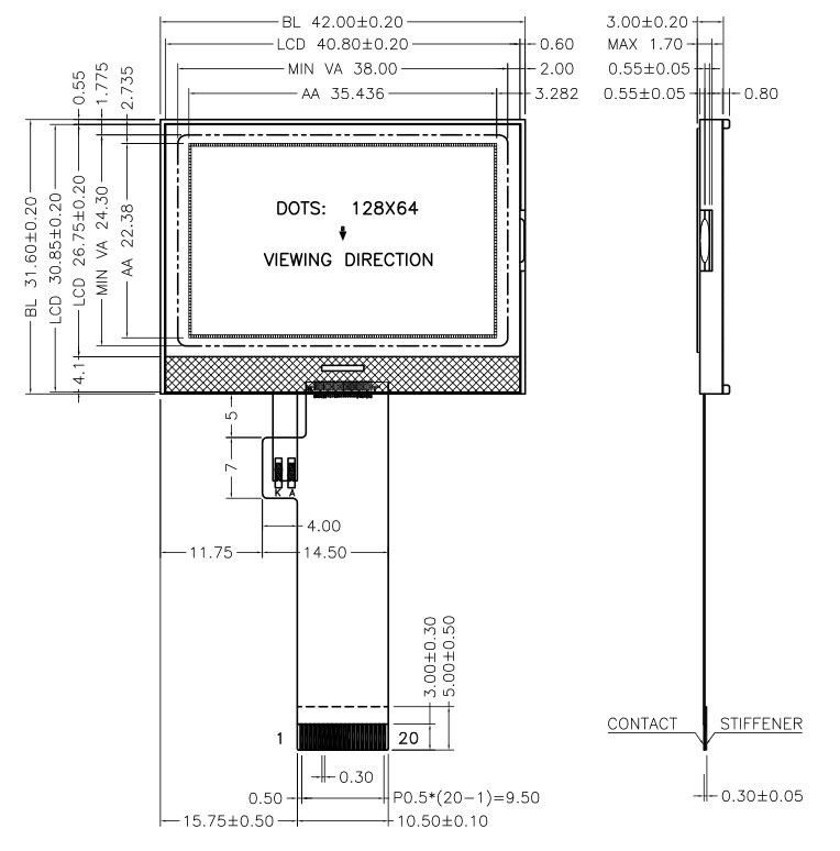
Modul LCD ekrana je LCD standardne veličine 128x64 tačaka za ručne alate; čija je dimenzija dimenzija 42.0x31.60mm, a površina za gledanje je 38.0x24.30mm; DFSTN materijal sa ST7567 kontrolerom.
- Uvod u proizvod
Detalji o proizvodu
Modul LCD ekrana je LCD standardne veličine 128x64 tačaka za ručne alate; čija je dimenzija dimenzija 42.0x31.60mm, a površina za gledanje je 38.0x24.30mm; DFSTN materijal sa ST7567 kontrolerom. Imamo tri pozadine za ovaj LCD, plavu, crnu i sivu, i možemo ih prilagoditi prema vašim potrebama uključujući veličinu.
Specifikacija



Proces Custom LCD
Dizajn LCD crteža: Naš inženjer će dizajnirati LCD crtež prema zahtjevima klijenata, to će trajati oko 1-3 dana.
Potvrdite LCD crtež: Kada završimo dizajn crteža, poslat ćemo kupcu na potvrdu.
Proizvodnja alata i uzoraka: Kada kupac potvrdi da je crtež u redu, počećemo proizvodnju alata i uzoraka, to će trajati oko 15 do 30 dana. (Zavisno od tipa LCD-a)
Masovna proizvodnja: Kada završimo proizvodnju uzoraka, poslat ćemo 5 komada besplatnih uzoraka kupcu na testiranje; i ako su uzorci u redu, počinjemo masovnu proizvodnju, trajat će oko 30-40 dana.

Popularni tagovi: LCD ekran modul za kuhinjsku elektronsku vagu, Kina, dobavljači, fabrika, prilagođeni, ponuda, kupovina popusta, besplatni uzorak, napravljeno u Kini











